Qualität bis ins Detail –
Aluminium-Extrusionsprofile von batimet
Als einer der führenden Anbieter von hochwertigen Holz-Aluminium Fenster- und Fassadensystemen fühlen wir uns für die Qualität bis ins Detail verantwortlich. Deshalb bieten wir maßgeschneiderte
Aluminium-Extrusionsprofile an, die sich Ihrem Projekt anpassen. Preisliste herunterladen
Wir sind Ihr Systemgeber für Holz-Aluminium-Fassaden. Mit unseren hochwertigen Produkten gehen wir bis ins Detail – bei batimet erhalten Sie alles, was Sie für die Umsetzung Ihres Fenster- und Fassadenprojekts benötigen.
Haben Sie Fragen oder benötigen Sie einen Kostenvoranschlag für Ihr Projekt? Wir stehen Ihnen gerne für alle Fragen zur Verfügung!
batimet GmbH
Enderstrasse 90
01277 Dresden
Kontakt aufnehmen!

Höchste Qualität
vom Systemgeber
Passgenau für
Ihr Bauvorhaben
Hergestellt in
Deutschland
Bestes Preis-/
Leistungsverhältnis
Zuverlässige und
pünktliche Lieferung
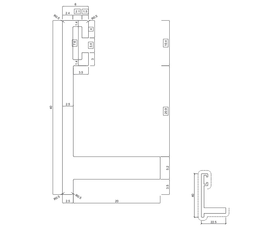
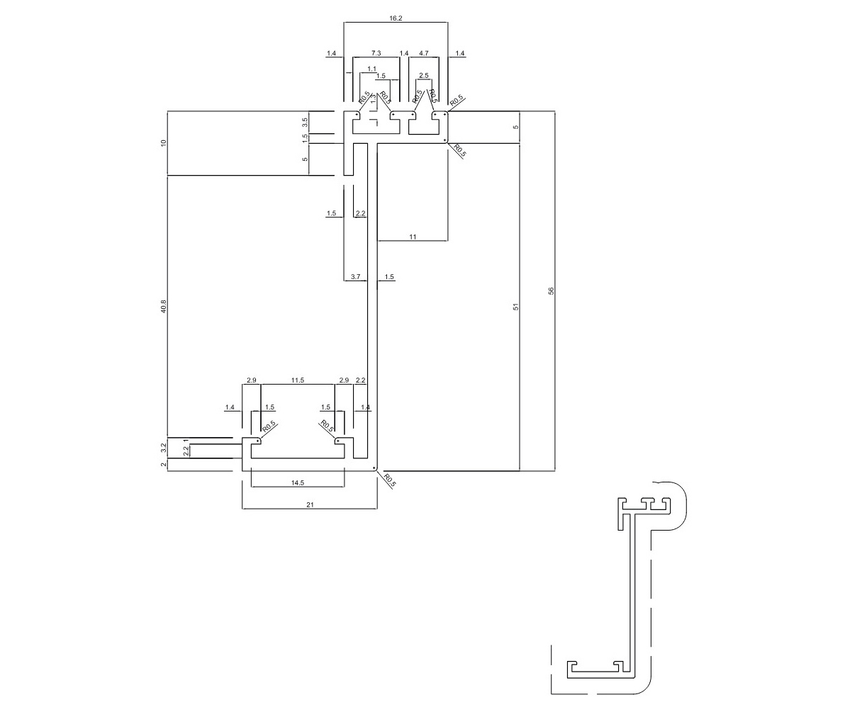
batimet TA35 EP
| Profile System: | batimet TA35 EP Extrusionsprofile Aluminium EN AW-6060 T66 (AlMgSi 0,5 F22) |
| Liefereinheiten: | In Verpackungseinheiten von 600 m |
| Finish Aluminium RAL: | RAL standard, RAL matt, RAL struktur, alles QUALICOAT, alle sonstigen RAL Farbtöne auf Anfrage verfügbar. |
| Finish Aluminium anodisiert ELOXAL: | E6/ EV1, E6/ EV3, C31, C32, C33, C34, C35 QUALANOD, alle sonstigen Sonder ELOXAL Farben auf Anfrage verfügbar. |
| Finish Aluminium spezial: | HWF hochwetterfest, Seewasser-tauglich SEAPROOF, NCS und Sonderfarbtöne alles auf Anfrage möglich. |
| Ausführung: | Profilstangen: 6.000 mm |
| Aluminium EN AW-6060 T66 (AlMgSi 0,5 F22) | |
| Lieferung ohne Folie. Folierung gegen Aufpreis möglich. | |
| Preisstellung: | Der Preis versteht sich pro Laufmeter beim Kauf kompletter Verpackungseinheiten. Zuschnitte sind möglich und werden mit 3,00 € zzgl. MwSt. berechnet. |
| Lieferung: | Preise sind ab Werk, Lieferung und Verpackung wird extra berechnet. |
| Anmerkungen: | Preise ohne Zubehörmaterial. |
Weitere batimet-Produkte für Ihr Bauvorhaben
Sie haben Fragen zu den Systemen von batimet?
Wir stehen Ihnen für alle Ihre technischen Fragen zu unseren Holz-AluminiumFenstern und Fassaden zur Verfügung. Wie können wir Sie unterstützen? Ich habe Fragen!





